Електропривід Aquaviva J+J J4C призначений для автоматичного управління четвертьоборотною трубопровідною арматурою. Монтується на будь-які кульові крани та дискові затвори зі з'єднанням за міжнародним стандартом ISO 5211.
Невеликий розмір та легка вага дозволяють використовувати привід на пластикових кульових кранах та дискових затворах з обертовим моментом від 20 до 300 Нм. Корпус, ручний дублер і вихідний вал виготовлені з поліаміду, кришка приводу – з полікарбонату, а гвинти – з нержавіючої сталі. Для встановлення крана потрібен перехідник.
- Тип двигуна: безщітковий
- Крутний момент: від 20 до 300 Нм
- Момент блокування: від 25 до 350 Нм
- Робоча температура навколишнього середовища: від -20 до +70°С
У 2.5 рази ефективніше, ніж електроприводи інших виробників Робочий цикл мотора 75%
Мультивольтажність Можливість роботи при змінному та постійному струмі
Швидка зміна положення від 9 до 58 секунд
Довговічність завдяки безщітковому двигуну
Вологонепроникність завдяки IP67 Стійкість до корозії, УФ та хімії для басейну
Wi-Fi управління, регулювання протоки та система аварійного відключення (опціонально)
AC24-240 В/DC24-135 В
Електропривід Aquaviva J+J серії J4C укомплектований двигуном з робочим циклом 75%. Це у 2.5 рази ефективніше, ніж пристрої інших виробників. Завдяки куту повороту ведучого валу від 0 до 270° та безщітковому двигуну електроприводу зміна положення крана займає від 9 до 58 секунд залежно від моделі електроприводу Aquaviva J+J серії J4C. Стійкість до зносу, УФ та хімії для басейну при високій вологості та температурі навколишнього середовища від -20 до 70°C забезпечується завдяки двигуну із захистом IP67, а також корпусу та комплектуючим із міцних матеріалів.
Ви можете обрати модель електроприводу, сумісну з кульовим краном з діаметром з'єднання від 16 до 110 мм або модель, сумісну з краном Батерфляй з діаметром з'єднання від 63 до 315 мм.
-
Вікно для візуального контролю положення крана

-
Вентиль для ручного управління

-
Роз'єм для підключення до електромережі

-
Безщітковий двигунзабезпечує довговічність пристрою

-
Фланцеве з'єднанняза стандартом ISO 5211

S-35
S-85
S-300
Індикатор роботи
Перемикач режимів з ручного на автоматичний
Роз'єм для підключення опцій
Електронна плата управліннядозволяє під’єднати постійний або змінний струм
Сумісність з кульовими та пелюстковими кранамибільшості виробників та діаметрів
Вікно для візуального контролю положення крана
Вентиль для ручного управління
Роз'єм для підключення до електромережі
Безщітковий двигунзабезпечує довговічність пристрою
Фланцеве з'єднанняза стандартом ISO 5211
Індикатор роботи
Перемикач режимів з ручного на автоматичний
Роз'єм для підключення опцій
Електронна плата управліннядозволяє під’єднати постійний або змінний струм
Сумісність з кульовими та пелюстковими кранамибільшості виробників та діаметрів
Простий візуальний контроль роботи електроприводу здійснюється за допомогою оглядового вікна та індикатора роботи на кришці пристрою.
Крізь оглядове вікно із прозорого полікарбонату ви можете бачити положення крана: відкрито чи закрито.
Світлодіодний індикатор показує поточний стан пристрою через зміну кольору підсвічування. Індикація базової версії електроприводу:
-
Немає живлення
-
У відкритому положенні
-
У закритому положенні
-
Відкривається
-
Закривається
-
Увімкнено обмеження крутного моменту,
перехід від закритого положення до відкритого -
Увімкнено обмеження крутного моменту,
перехід від відкритого положення до закритого -
Ручний режим увімкнено
-
Привід зупинився
(не в закритому та не у відкритому положенні) -
У середньому становищі
S-20
S-35
S-55
S-85
S-140
S-300
Крім ефективності та високої швидкості перемикання крана, безщітковий двигун електроприводу Aquaviva J+J серії J4C забезпечує більш тривалий термін служби з мінімальним техобслуговуванням. Корпус виконаний з антикорозійного поліаміду з елементами нержавіючої сталі.
Ви можете використовувати електропривід у трубопроводах для транспортування рідини за температури навколишнього середовища від -20 до 70°C.
Розширте функціонал кульового крана з електроприводом. Ви можете замовити пристрій зі встановленими виробником опціями або придбати їх окремо та встановити самостійно після покупки пристрою.
- Цифровий позиціонер DPS для віддаленого контролю положення крана. Датчик спрацьовує щодо струмового сигналу станції управління від 4 до 20 мА та від 20 до 4 мА, від 0 до 10 В або від 1 до 10 В залежно від моделі електроприводу.
- Аварійно-автономна відмовна система з акумулятором для автоматичного відкриття або закриття крана у разі перебоїв енергоживлення.
- Цифровий потенціометр.
- Кабельний роз'єм для підключення інтерфейсу установки зв'язку з приводом, зчитування параметрів та зміни значень установок.
- Модуль Bluetooth, кабельна система Modbus або модуль Wi-Fi.
Цифровий позиціонер
Аварійно-автономна відмовна система
Комплект для підключення інтерфейсу
зі свого смартфона
| Бездротова мережа управління за допомогою модуля Bluetooth | Кабельна мережа управління за допомогою системи Modbus | Бездротова мережа управління за допомогою модуля Wi-Fi на базі протоколу 802.15.4 |
| Максимальна кількість підключених електроприводів, шт | ||
| 50 | 32 | 32 |
| Радіус дії мережі, м | ||
| 20 | 1200 | Від 50 до 1600 без ретрансляторів: кожен електропривод одночасно приймає та випромінює сигнал мережі, що дозволяє уникнути перешкод, таких як стіни. |
| Доступні функції управління | ||
| Ви можете відкрити або закрити кран, а також зупинити роботу електроприводу, контролювати положення заслінки, зчитувати параметри пристрою та отримувати повідомлення щодо помилок. | Завдяки технології Plug and Play ви можете встановлювати зв'язок електроприводами та управляти пристроями, програмувати їх роботу та отримувати повідомлення щодо помилок максимально швидко. | Завдяки технології Plug and Play ви можете встановлювати зв'язок електроприводами та керувати пристроями, програмувати їх роботу та отримувати повідомлення щодо помилок максимально швидко. |
| Дистанційне управління | ||
| За допомогою будь-яких гаджетів IOS або Android. | За допомогою панелі управління, ПК та будь-яких гаджетів IOS або Android. | За допомогою панелі управління, ПК та будь-яких гаджетів IOS або Android. Доступно 12 каналів зв'язку. |
| Можливість ручного управління в режимі роботи мережі | ||
| Ні | Так | Так |
| Бездротова мережа управління за допомогою модуля Bluetooth | ||
| Максимальна кількість підключених електроприводів, шт | ||
| 50 | ||
| Радіус дії мережі, м | ||
| 20 | ||
| Доступні функції управління | ||
| Ви можете відкрити або закрити кран, а також зупинити роботу електроприводу, контролювати положення заслінки, зчитувати параметри пристрою та отримувати повідомлення щодо помилок. | ||
| Дистанційне управління | ||
| За допомогою будь-яких гаджетів IOS або Android. | ||
| Можливість ручного керування в режимі роботи мережі | ||
| Ні | ||
| Кабельна мережа управління за допомогою системи Modbus | ||
| Максимальна кількість підключених електроприводів, шт | ||
| 32 | ||
| Радіус дії мережі, м | ||
| 1200 | ||
| Доступні функції управління | ||
| Завдяки технології Plug and Play ви можете встановлювати зв'язок електроприводами та управляти пристроями, програмувати їх роботу та отримувати повідомлення щодо помилок максимально швидко. | ||
| Дистанційне управління | ||
| За допомогою панелі управління, ПК та будь-яких гаджетів IOS або Android. | ||
| Можливість ручного управління в режимі роботи мережі | ||
| Так | ||
| Бездротова мережа управління за допомогою модуля Wi-Fi на базі протоколу 802.15.4 | ||
| Максимальна кількість підключених електроприводів, шт | ||
| 32 | ||
| Радіус дії мережі, м | ||
| Від 50 до 1600 без ретрансляторів: кожен електропривід одночасно приймає та випромінює сигнал мережі, що дозволяє уникнути перешкод, таких як стіни. | ||
| Доступні функції управління | ||
| Завдяки технології Plug and Play ви можете встановлювати зв'язок електроприводами та управляти пристроями, програмувати їх роботу та отримувати повідомлення щодо помилок максимально швидко. | ||
| Дистанційне управління | ||
| За допомогою панелі управління, ПК та будь-яких гаджетів IOS або Android. Доступно 12 каналів зв'язку. | ||
| Можливість ручного управління в режимі роботи мережі | ||
| Так | ||
| Модель | S-20 | S-35 | S-55 | S-85 | S-140 | S-300 |
|---|---|---|---|---|---|---|
| Електропривід Aquaviva J+J серії J4C | ||||||
| Тривалість зміни положення на 90°, с | 9 | 9 | 13 | 29 | 34 | 58 |
| Максимальний крутний момент блокування, Нм | 25 | 38 | 60 | 90 | 170 | 350 |
| Максимальний робочий крутний момент, Нм | 20 | 35 | 55 | 85 | 140 | 300 |
| Тип фланця за стандартом ISO 5211 | Базовий: F03 / F04 / F05 Додатковий: F07 * 15 мм |
Базовий: F03 / F04 / F05 Додатковий: F07 * 15 мм |
F05 / F07 | F05 / F07 | Базовий: F07 / F10 Додатковий: F12 |
Базовий: F07 / F10 Додатковий: F12 |
| Вихідний привід з внутрішнім різьбленням | Базовий: * 14 мм Додатковий: * 9, * 11 мм | Базовий: * 14 мм Додатковий: * 9, * 11 мм | Базовий: * 17 мм Додатковий: * 11, * 14 мм | Базовий: * 17 мм Додатковий: * 14 мм | Базовий: * 22 мм Додатковий: * 17 мм | Базовий: * 22 мм Додатковий: * 17 мм |
| Вага, кг | 1.8 | 1.9 | 2.4 | 3 | 5.2 | 5.2 |
| Матеріал головного валу (стрижня) | Антикорозійний поліамід | Нержавіюча сталь | Нержавіюча сталь | Нержавіюча сталь | Нержавіюча сталь | Нержавіюча сталь |
| Діапазон змінного/постійного струму блока живлення (AC/DC), В | від 24 до 240 / від 24 до 135 | |||||
| Робочий цикл двигуна, % | 75 | |||||
| Максимальний робочий кут, ° | от 0 до 270 | |||||
| Тип контактів кінцевого вимикача | 4 SPST NO micro | |||||
| Потужність автоматичного нагрівача, Вт | 44319 | |||||
| Великий кабельний роз'єм | DIN EN 175301-803, форма A | |||||
| Малий кабельний роз'єм | DIN43650, тип C | |||||
| Ступінь пиловологозахисту за стандартом IEC 60529 | IP67 | |||||
| Робоча температура навколишнього середовища, °C | від - 20 до +70 | |||||
| Матеріал корпусу та кришки | Антикорозійний поліамід | |||||
| Матеріал зовнішніх гвинтів | Нержавіюча сталь | |||||
| Матеріал шестерень | Нержавіюча сталь та поліамід | |||||
| Матеріал індикатора для візуального контролю положення крана | Поліамід | |||||
| Матеріал купола вікна для візуального контролю положення крана | Полікарбонат | |||||
| Матеріал регульованих внутрішніх кулачків | Поліамід | |||||
| Тип електродвигуна | Безщітковий двигун 24 В постійного струму | |||||
| Клас ізоляції | B | |||||
| Клас енергоефективності за стандартом IEC 60034 | S4 | |||||
| Додаткове обладнання | ||||||
| Сигнал для спрацювання цифрового позиціонера - датчика для віддаленого контролю положення крана | від 4 до 20 мА та від 0 до 20 мА, від 0 до 10 В та від 1 до 10 В | |||||
| Аварійно-автономна відмовна система з акумулятором для автоматичного закриття крана у разі перебоїв енергоживлення | NC-NO | |||||
| Цифровий потенціометр | 1 К, 5 К, 10 K | |||||
| 3 положення крана | 0° - 45° - 90° 0° - 90° - 180° |
|||||
| Модель | S-20 | S-35 | S-55 |
|---|---|---|---|
| Електропривід Aquaviva J+J серії J4C | |||
| Тривалість зміни положення на 90°, с | 9 | 9 | 13 |
| Максимальний крутний момент блокування, Нм | 25 | 38 | 60 |
| Максимальний робочий крутний момент, Нм | 20 | 35 | 55 |
| Тип фланця за стандартом ISO 5211 | Базовий: F03 / F04 / F05 Додатковий: F07 * 15 мм |
Базовий: F03 / F04 / F05 Додатковий: F07 * 15 мм |
F05 / F07 |
| Вихідний привід з внутрішнім різьбленням | Базовий: * 14 мм Додатковий: * 9, * 11 мм | Базовий: * 14 мм Додатковий: * 9, * 11 мм | Базовий: * 17 мм Додатковий: * 11, * 14 мм |
| Вага, кг | 1.8 | 1.9 | 2.4 |
| Матеріал головного валу (стрижня) | Антикорозійний поліамід | Нержавіюча сталь | Нержавіюча сталь |
| Діапазон змінного/постійного струму блока живлення (AC/DC), В | от 24 до 240 / от 24 до 135 | ||
| Робочий цикл двигуна, % | 75 | ||
| Максимальний робочий кут, ° | от 0 до 270 | ||
| Тип контактів кінцевого вимикача | 4 SPST NO micro | ||
| Потужність автоматичного нагрівача, Вт | 44319 | ||
| Великий кабельний роз'єм | DIN EN 175301-803, форма A | ||
| Малий кабельний роз'єм | DIN43650, тип C | ||
| Ступінь пиловологозахисту за стандартом IEC 60529 | IP67 | ||
| Робоча температура навколишнього середовища, °C | від - 20 до +70 | ||
| Матеріал корпусу та кришки | Антикорозійний поліамід | ||
| Матеріал зовнішніх гвинтів | Нержавіюча сталь | ||
| Матеріал шестерень | Нержавіюча сталь та поліамід | ||
| Матеріал індикатора для візуального контролю положення крана | Поліамід | ||
| Матеріал купола вікна для візуального контролю положення крана | Полікарбонат | ||
| Матеріал регульованих внутрішніх кулачків | Поліамід | ||
| Тип електродвигуна | Безщітковий двигун 24 В постійного струму | ||
| Клас ізоляції | B | ||
| Клас енергоефективності за стандартом IEC 60034 | S4 | ||
| Додаткове обладнання | |||
| Сигнал для спрацювання цифрового позиціонера - датчика для віддаленого контролю положення крана | від 4 до 20 мА та від 0 до 20 мА, від 0 до 10 В та від 1 до 10 В | ||
| Аварійно-автономна відмовна система з акумулятором для автоматичного закриття крана у разі перебоїв енергоживлення | NC-NO | ||
| Цифровий потенціометр | 1 К, 5 К, 10 K | ||
| 3 положення крана | 0° - 45° - 90° 0° - 90° - 180° |
||
| Модель | S-85 | S-140 | S-300 |
|---|---|---|---|
| Електропривід Aquaviva J+J серії J4C | |||
| Тривалість зміни положення на 90°, с | 29 | 34 | 58 |
| Максимальний крутний момент блокування, Нм | 90 | 170 | 350 |
| Максимальний робочий крутний момент, Нм | 85 | 140 | 300 |
| Тип фланця за стандартом ISO 5211 | F05 / F07 | Базовий: F07 / F10 Додатковий: F12 |
Базовий: F07 / F10 Додатковий: F12 |
| Вихідний привід з внутрішнім різьбленням | Базовий: * 17 мм Додатковий: * 14 мм | Базовий: * 22 мм Додатковий: * 17 мм | Базовий: * 22 мм Додатковий: * 17 мм |
| Вага, кг | 3 | 5.2 | 5.2 |
| Матеріал головного валу (стрижня) | Нержавіюча сталь | Нержавіюча сталь | Нержавіюча сталь |
| Діапазон змінного/постійного струму блока живлення (AC/DC), В | від 24 до 240 / від 24 до 135 | ||
| Робочий цикл двигуна, % | 75 | ||
| Максимальний робочий кут, ° | від 0 до 270 | ||
| Тип контактів кінцевого вимикача | 4 SPST NO micro | ||
| Потужність автоматичного нагрівача, Вт | 44319 | ||
| Великий кабельний роз'єм | DIN EN 175301-803, форма A | ||
| Малий кабельний роз'єм | DIN43650, тип C | ||
| Ступінь пиловологозахисту за стандартом IEC 60529 | IP67 | ||
| Робоча температура навколишнього середовища, °C | від - 20 до +70 | ||
| Матеріал корпусу та кришки | Антикорозійний поліамід | ||
| Матеріал зовнішніх гвинтів | Нержавіюча сталь | ||
| Матеріал шестерень | Нержавіюча сталь та поліамід | ||
| Матеріал індикатора для візуального контролю положення крана | Поліамід | ||
| Матеріал купола вікна для візуального контролю положення крана | Полікарбонат | ||
| Матеріал регульованих внутрішніх кулачків | Поліамід | ||
| Тип електродвигуна | Безщітковий двигун 24 В постійного струму | ||
| Клас ізоляції | B | ||
| Клас енергоефективності за стандартом IEC 60034 | S4 | ||
| Додаткове обладнання | |||
| Сигнал для спрацювання цифрового позиціонера - датчика для віддаленого контролю положення крана | від 4 до 20 мА та від 0 до 20 мА, від 0 до 10 В та від 1 до 10 В | ||
| Аварійно-автономна відмовна система з акумулятором для автоматичного закриття крана у разі перебоїв енергоживлення | NC-NO | ||
| Цифровий потенціометр | 1 К, 5 К, 10 K | ||
| 3 положення крана | 0° - 45° - 90° 0° - 90° - 180° |
||
електроприводів Aquaviva J+J серії J4C
S-20
S-35
S-55
S-85
S-140
S-300
для кульових кранів та кранів Баттерфляй
| Модель електроприводу Aquaviva J+J | Шаровий кран EFFAST серії BK1 | Кран Баттерфляй EFFAST серії Pro Flow |
| S-20 | від d16 до d63 мм | — |
| S-35 | від d75 до d110 мм | d75 мм |
| S-55 | — | від d90 до d110 мм |
| S-85 | — | d125 мм та 140 мм |
| S-140 | — | d160 мм |
| S-300 | — | d200 мм та d225 мм |
електроприводів Aquaviva J+J серії J4C
S-20
S-35
S-55
S-85
S-140
S-300
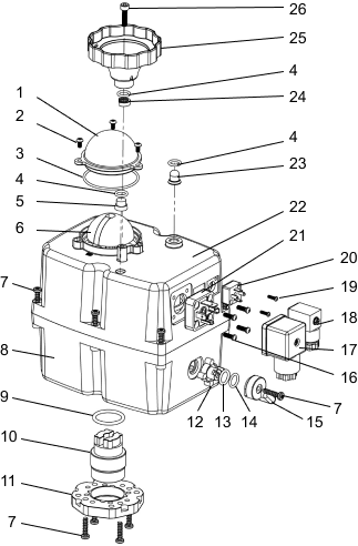
| № | Код | Кількість |
| 1 | AP00345 | 3 |
| 2 | AP00372 | 1 |
| 3 | AP00346 | 1 |
| 4 | AP00053 | 3 |
| 5 | AP00133 | 1 |
| 6 | MM00258 | 1 |
| 7 | AP00541 | 12 |
| 8 | AP00455 | 1 |
| 9 | AP00050 | 1 |
| 10 | AP00044 | 1 (*14) |
| 10 | AP00043 | 1(*11) |
| 10 | AP00042 | 1(*09) |
| 11 | MM00187 | 1 |
| 12 | AP00456 | 1 |
| 13 | AP00056 | 1 |
| 14 | AP00054 | 1 |
| 15 | AP00457 | 1 |
| 16 | AP01098 | 4 |
| 17 | AP00067 | 1 |
| 18 | AP00068 | 1 |
| 19 | MM00004 | 1 |
| 19 | +AP00069 | 1 |
| 20 | AP01099 | 2 |
| 21 | MM01382 | 1 |
| 21 | +AP00013 | 1 |
| 21 | +AP01042 | 1 |
| 21 | +AP00084 | 1 |
| 22 | AP00340 * | 1 |
| 23 | AP00023 | 1 |
| 24 | AP00037 | 1 |
| 25 | AP00083 | 1 |
| № | Код | Кількість |
| 26 | AP00057 | 3 |
| 27 | AP00794 | 1 |
| 28 | AP00991 | 1 |
| 29 | AP01013 | 3 |
| 30 | AP01000 | 1 |
| 31 | AP00343 | 1 |
| 32 | AP00031 | 12 |
| 33 | AP00014 | 1 |
| 34 | AP00251 | 1 |
| 35 | AP00974 | 1 (*14) |
| 36 | AP00032 | 1(*11) |
| 37 | AP00021 | 1(*09) |
| 38 | AP00960 | 1 |
| 39 | AP00143 | 1 |
| 40 | AP00955 | 1 |
| 41 | AP00861 | 1 |
| 42 | AP00145 | 1 |
| № | Код | Кількість |
| 43 | AP00533 | 1 |
| 44 | AP00080 | 4 |
| 45 | AP01047 | 1 |
| 46 | AP01045 | 1 |
| 47 | AP00159 | 1 |
| 48 | AP00376 | 1 |
| 49 | MM01211 | 2 |
| 50 | MM01210 | 2 |
| 51 | AP01000 | 2 |
| 52 | AP00070 | 6 |
| 53 | AP00048 | 1 |
| 54 | AP01015 | 1 |
| 55 | AP01017 | 1 |
| 56 | AP00911 | 2 |
| 57 | AP00879 | 1 |
| 58 | AP01056 | 1 |
| 59 | AP00926 | 1 |
| 60 | AP00161 | 1 |
| 61 | AP01066 | 1 |
| 62 | MM01324 | 1 |
| № | Код | Кількість |
| 1 | AP00372 | 1 |
| 2 | AP00345 | 1 |
| 3 | AP00346 | 1 |
| 4 | AP00053 | 3 |
| 5 | AP00133 | 1 |
| 6 | MM00258 | 1 |
| 7 | AP00541 | 11 |
| 8 | AP00455 | 1 |
| 9 | AP00050 | 1 |
| 10 | AP00044 | 1 (*14) |
| 10 | AP00043 | 1(*11) |
| 10 | AP00042 | 1(*09) |
| 11 | MM00187 | 1 |
| 12 | AP00456 | 1 |
| 13 | AP00056 | 1 |
| 14 | AP00054 | 1 |
| 15 | AP00457 | 1 |
| 16 | AP01098 | 4 |
| 17 | AP00067 | 1 |
| 18 | AP00068 | 1 |
| 19 | AP01099 | 1 |
| 20 | MM00004 | 1 |
| 20 | +AP00069 | 2 |
| 21 | MM01382 | 1 |
| 21 | +AP00013 | 1 |
| 21 | +AP01042 | 1 |
| 21 | +AP00084 | 1 |
| 22 | AP00340 * | 1 |
| 23 | AP00023 | 1 |
| 24 | AP00037 | 1 |
| 25 | AP00083 | 1 |
| 26 | AP00162 | 1 |
| № | Код | Кількість |
| 27 | AP00794 | 1 |
| 28 | AP01013 | 1 |
| 29 | AP00991 | 1 |
| 30 | AP00031 | 1 |
| 31 | AP01000 | 3 |
| 32 | AP00343 | 2 |
| 33 | AP00014 | 3 |
| 34 | AP00032 | 3 |
| 35 | AP00251 | 1 |
| 36 | AP00974 | 1 |
| 37 | AP00021 | 1 |
| 38 | AP00960 | 1 |
| 39 | AP00143 | 1 |
| 40 | AP00955 | 1 |
| 41 | AP00861 | 1 |
| 42 | AP00145 | 1 |
| № | Код | Кількість |
| 43 | AP00159 | 1 |
| 44 | AP00376 | 1 |
| 45 | AP00161 | 1 |
| 46 | MM01211 | 1 |
| 47 | MM01210 | 1 |
| 48 | AP01000 | 3 |
| 49 | AP01023 | 1 |
| 50 | AP01017 | 1 |
| 51 | AP00070 | 6 |
| 52 | AP01028 | 1 |
| 53 | AP00048 | 1 |
| 54 | AP00057 | 1 |
| 55 | AP00911 | 2 |
| 56 | AP00879 | 2 |
| 57 | AP01056 | 1 |
| 58 | AP00926 | 1 |
| 59 | MM01324 | 1 |
| 60 | AP00080 | 4 |
| 61 | AP01066 | 1 |
| 62 | AP01045 | 1 |
| 63 | AP01047 | 1 |
| 64 | AP00533 | 1 |
| № | Код | Кількість |
| 1 | AP00083 | 1 |
| 2 | AP00053 | 7 |
| 3 | AP00037 | 1 |
| 4 | AP00345 | 3 |
| 5 | AP00372 | 1 |
| 6 | AP00346 | 1 |
| 7 | AP00133 | 1 |
| 8 | MM00258 | 1 |
| 9 | AP00340* | 1 |
| 10 | AP00541 | 7 |
| 11 | AP00036 | 1 |
| 10 | AP00042 | 1(*09) |
| 11 | MM00187 | 1 |
| 12 | AP00049 | 1 |
| 13 | AP00046 | 1(*17) |
| 13 | AP00150 | 1(*11) |
| 13 | AP00045 | 1(*14) |
| 14 | MM00140 | 1 |
| 15 | AP00016 | 1 |
| 16 | AP00110 | 1 |
| 17 | AP00056 | 1 |
| 18 | AP00054 | 1 |
| 19 | AP00457 | 1 |
| 20 | AP01098 | 4 |
| 21 | AP00067 | 1 |
| 22 | AP00068 | 1 |
| 23 | AP01099 | 2 |
| 24 | MM00004 | 1 |
| 24 | +AP00069 | 1 |
| 25 | MM01382 | 1 |
| 25 | +AP00013 | 1 |
| 25 | +AP01042 | 1 |
| 25 | +AP00084 | 1 |
| 26 | AP00023 | 1 |
| 27 | AP00162 | 1 |
| № | Код | Кількість |
| 28 | AP00533 | 1 |
| 29 | AP01047 | 1 |
| 30 | AP00080 | 4 |
| 31 | AP01045 | 1 |
| 32 | AP00377 | 1 |
| 33 | AP00159 | 1 |
| 34 | AP00161 | 1 |
| 35 | MM01211 | 2 |
| 36 | MM01210 | 2 |
| 37 | AP01000 | 4 |
| 38 | AP00059 | 1 |
| 39 | AP00492 | 6 |
| 40 | AP00291 | 2 |
| 41 | AP00911 | 2 |
| 42 | AP00079 | 1 |
| 43 | AP01056 | 1 |
| 44 | AP00926 | 1 |
| 45 | AP01066 | 1 |
| 46 | MM01324 | 1 |
| № | Код | Кількість |
| 47 | MM00099 | 1 |
| 48 | AP01000 | 4 |
| 49 | AP00212 | 1 |
| 50 | AP00281 | 1 |
| 51 | AP00378 | 1 |
| 52 | AP00077 | 4 |
| 53 | AP00048 | 1 |
| 54 | AP00052 | 4 |
| 55 | AP00053 | 7 |
| 56 | AP00064 | 1 |
| 57 | AP00539 | 1 |
| 58 | AP00655 | 1 |
| 59 | AP00145 | 2 |
| 60 | AP00249 | 1 |
| 61 | AP00866 | 1 |
| 62 | AP00014 | 4 |
| 63 | AP00745 | 1 |
| 64 | AP00881 | 1 |
| № | Код | Кількість |
| 1 | AP01103 | 1 |
| 2 | AP00345 | 3 |
| 3 | AP00372 | 1 |
| 4 | AP00346 | 1 |
| 5 | AP00053 | 7 |
| 6 | AP00133 | 1 |
| 7 | AP00340* | 1 |
| 8 | AP00541 | 7 |
| 9 | AP00036 | 1 |
| 10 | AP00049 | 1 |
| 11 | AP00046 | 1(*17) |
| 11 | AP00045 | 1(*14) |
| 11 | AP00150 | 1(*11) |
| 12 | MM00140 | 1 |
| 13 | AP00016 | 1 |
| 14 | AP00110 | 1 |
| 15 | AP00056 | 1 |
| 16 | AP00054 | 1 |
| 17 | AP00547 | 1 |
| 18 | AP01098 | 4 |
| 19 | AP00067 | 1 |
| 20 | AP00068 | 1 |
| 21 | AP01099 | 2 |
| 22 | MM00004 | 1 |
| 22 | +AP00069 | 1 |
| 23 | MM01382 | 1 |
| 23 | +AP00084 | 1 |
| 23 | +AP01042 | 1 |
| 23 | +AP00013 | 1 |
| 24 | AP00023 | 1 |
| 25 | AP00037 | 1 |
| 26 | AP00162 | 1 |
| № | Код | Кількість |
| 27 | AP00533 | 1 |
| 28 | AP00080 | 4 |
| 29 | AP01047 | 1 |
| 30 | AP01045 | 1 |
| 31 | MM00258 | 1 |
| 32 | AP00159 | 1 |
| 33 | AP00161 | 1 |
| 34 | MM01211 | 2 |
| 35 | MM01210 | 2 |
| 36 | AP01000 | 4 |
| 37 | AP00377 | 1 |
| 38 | AP00492 | 6 |
| 39 | AP00048 | 1 |
| 40 | AP00058 | 1 |
| 41 | AP00291 | 2 |
| 42 | AP00911 | 2 |
| 43 | AP00079 | 1 |
| 44 | AP01056 | 1 |
| 45 | AP00926 | 1 |
| 46 | AP01066 | 1 |
| 47 | MM01324 | 1 |
| № | Код | Кількість |
| 48 | AP00874 | 1 |
| 49 | AP00281 | 1 |
| 50 | AP00378 | 1 |
| 51 | AP00039 | 1 |
| 52 | AP00263 | 1 |
| 53 | AP00437 | 1 |
| 54 | AP00015 | 2 |
| 55 | AP00875 | 2 |
| 56 | AP00077 | 4 |
| 57 | AP00065 | 1 |
| 58 | AP00053 | 7 |
| 59 | AP00052 | 4 |
| 60 | AP00866 | 1 |
| 61 | AP00539 | 1 |
| 62 | AP00014 | 5 |
| 63 | AP00145 | 2 |
| 64 | AP00655 | 1 |
| 65 | AP00873 | 1 |
| 66 | AP00143 | 1 |
| 67 | AP00790 | 1 |
| 68 | MM00099 | 1 |
| № | Код | Кількість |
| 1 | AP00372 | 1 |
| 2 | AP00345 | 3 |
| 3 | AP00346 | 1 |
| 4 | AP00053 | 3 |
| 5 | AP01166 | 1 |
| 6 | AP1165 | 1 |
| 7 | MM00801 | 1 |
| 7 | +AP01042 | 1 |
| 7 | +AP00013 | 1 |
| 7 | +AP00084 | 1 |
| 8 | AP01098 | 8 |
| 9 | AP00067 | 1 |
| 10 | AP00066 | 1 |
| 11 | MM00321 | 1 |
| 11 | +AP00069 | 1 |
| 12 | AP00414 | 1 |
| 13 | AP00966 | 4 |
| 14 | AP00968 | 4 |
| 15 | AP00962 | 1 |
| 16 | AP00973 | 4 |
| 17 | AP00017 | 1 |
| 18 | AP00413 | 1 |
| 19 | AP00412 | 1 |
| 20 | AP00127 | 1(*22) |
| 20 | AP00280 | 1(*17) |
| 20 | AP00217 | 1(*27) |
| 21 | AP00967 | 4 |
| 22 | AP00541 | 9 |
| 23 | AP01128 | 1 |
| 24 | AP00054 | 1 |
| 25 | AP00056 | 1 |
| 26 | AP00474 | 1 |
| 27 | AP01095 | 1 |
| 28 | AP01088* | 1 |
| 29 | AP00604 | 1 |
| 30 | AP00318 | 1 |
| 31 | AP00321 | 1 |
| 32 | AP00292 | 1 |
| 33 | AP00162 | 1 |
| № | Код | Кількість |
| 34 | AP01111 | 1 |
| 35 | AP00080 | 5 |
| 36 | AP01108 | 1 |
| 37 | AP01045 | 1 |
| 38 | MM00258 | 1 |
| 39 | AP00161 | 1 |
| 40 | AP00864 | 1 |
| 41 | MM01211 | 2 |
| 42 | MM01210 | 2 |
| 43 | AP01000 | 1 |
| 44 | AP00423 | 1 |
| 45 | AP01096 | 1 |
| 46 | AP00964 | 5 |
| 47 | AP00291 | 2 |
| 48 | AP00911 | 2 |
| 49 | AP00079 | 1 |
| 50 | AP01057 | 1 |
| 51 | AP00926 | 1 |
| 52 | AP01066 | 1 |
| 52 | +AP01126 | 1 |
| 53 | +AP01126 | 1 |
| № | Код | Кількість |
| 54 | AP01114 | 1 |
| 55 | AP00928 | 1 |
| 56 | AP00014 | 6 |
| 57 | AP00312 | 1 |
| 58 | MM01339 | 1 |
| 59 | AP00145 | 2 |
| 60 | AP00817 | 1 |
| 61 | AP00818 | 1 |
| 62 | AP00816 | 1 |
| 63 | AP00442 | 1 |
| 64 | AP00965 | 5 |
| 65 | AP00953 | 1 |
| 66 | AP00963 | 4 |
| 67 | AP00446 | 1 |
| 68 | AP00307 | 1 |
| 69 | AP00143 | 1 |
| 70 | AP00960 | 2 |
| 71 | AP00867 | 1 |
| 72 | AP00974 | 1 |
| 73 | AP00951 | 1 |
| 74 | AP00974 | 1 |
| 75 | AP00835 | 1 |
| 76 | AP00860 | 1 |
| 77 | AP00865 | 1 |
| № | Код | Кількість |
| 1 | AP00162 | 1 |
| 2 | AP00292 | 1 |
| 3 | AP00372 | 1 |
| 4 | AP00345 | 3 |
| 5 | AP00346 | 1 |
| 6 | AP00053 | 3 |
| 7 | AP01166 | 1 |
| 8 | MM00801 | 1 |
| 8 | +AP01042 | 1 |
| 8 | +AP00013 | 1 |
| 8 | +AP00084 | 1 |
| 9 | AP01098 | 8 |
| 10 | AP00067 | 1 |
| 11 | AP00066 | 1 |
| 12 | MM00321 | 1 |
| 12 | +AP00069 | 1 |
| 13 | AP00414 | 1 |
| 14 | AP00966 | 4 |
| 15 | AP00968 | 4 |
| 16 | AP00962 | 1 |
| 17 | AP00973 | 4 |
| 18 | AP00127 | 1(*22) |
| 18 | AP00280 | 1(*17) |
| 18 | AP00412 | 1 |
| 20 | AP00413 | 1 |
| 21 | AP00017 | 1 |
| 22 | AP00967 | 4 |
| 23 | AP00474 | 1 |
| 24 | AP00056 | 1 |
| 25 | AP00054 | 1 |
| 26 | AP01128 | 1 |
| 27 | AP00541 | 9 |
| 28 | AP01095 | 1 |
| 29 | AP01088* | 1 |
| 30 | AP01165 | 1 |
| 31 | AP00604 | 1 |
| 32 | AP00318 | 1 |
| 33 | AP00321 | 1 |
| № | Код | Кількість |
| 34 | AP01111 | 1 |
| 35 | AP00080 | 5 |
| 36 | AP01108 | 1 |
| 37 | AP01045 | 1 |
| 38 | MM00258 | 1 |
| 39 | AP00161 | 1 |
| 40 | AP00864 | 1 |
| 41 | MM01211 | 2 |
| 42 | MM01210 | 2 |
| 43 | AP01000 | 1 |
| 44 | AP00964 | 5 |
| 45 | AP00423 | 1 |
| 46 | AP01096 | 1 |
| 47 | AP00291 | 2 |
| 48 | AP00911 | 2 |
| 49 | AP00079 | 1 |
| 50 | AP01057 | 1 |
| 51 | AP00926 | 1 |
| 52 | AP01066 | 1 |
| 52 | +AP01126 | 1 |
| 53 | MM01324 | 1 |
| № | Код | Кількість |
| 54 | AP01114 | 1 |
| 55 | AP001133 | 1 |
| 56 | AP00014 | 6 |
| 57 | AP00312 | 1 |
| 58 | MM01339 | 1 |
| 59 | AP00145 | 2 |
| 60 | AP00817 | 1 |
| 61 | AP00818 | 1 |
| 62 | AP00867 | 1 |
| 63 | AP00816 | 1 |
| 64 | AP00442 | 1 |
| 65 | AP00953 | 1 |
| 66 | AP00965 | 5 |
| 67 | AP00911 | 4 |
| 68 | AP00446 | 1 |
| 69 | AP00307 | 1 |
| 70 | AP00143 | 1 |
| 71 | AP00960 | 2 |
| 72 | AP00974 | 1 |
| 73 | AP00951 | 1 |
| 74 | AP01115 | 1 |
| 75 | AP00835 | 1 |
| 76 | AP00860 | 1 |
| 77 | AP00865 | 1 |

Aquaviva J+J серії J4C у трубопроводі басейну
- 1 Басейн
- 2 Насос Hayward серії HCP
- 3 Фільтр Hayward серії HCF ARTIC
- 4 Електропривід Aquaviva J+J серії J4C
- 5 Система знезараження Sugar Valley Aquascenic HD
- 6 Засіб для корекції рН
- 7 Дозуючий насос реагенту рН
в системі п'ятикранової обв'язки трубопроводу басейну

-
Фільтрація:крани 1 та 5 відкриті
краны 2, 3 та 4 закриті -
Обратная промывка фильтра:крани 2 та 3 відкриті
крани 1, 4 та 5 закриті -
Відведення брудної води після зворотного промивання в каналізацію:крани 1 та 4 відкриті
крани 2, 3 та 5 закриті -
Відведення води з басейну в каналізацію без фільтрації:крани 1 та 3 відкриті
крани 2, 4 та 5 закриті

Питне водопостачання
Басейни та SPA
Фонтани та зливні системи
Сільське господарство та системи зрошення
Промисловість та системи напірних трубопроводів
Характеристики
| Наявність електроприводу | Так |
|---|---|
| Завантажте додаткові матеріали | Інструкція |
| Додатково |
|
| Виробник | Aquaviva |
| Країна виробник | Іспанія |
| Гарантія | 12 місяців |
Відгуки покупців (0)
Залишіть відгук про товар або напишіть ваше питання Зручні способи оплати товару
Безкоштовна доставка замовлення вартістю понад 2000 грн*
Відправка замовлення в день його оформлення*
Замовлення, оформлені після 13:00, відправляються наступного робочого дня. Але ми докладемо максимум зусиль, щоб відправити його в той же день.
Замовлення, оформлені у вихідні та святкові дні, відправляються в найближчий робочий день.
Номер ТТН ми надішлемо після 20:00, коли замовлення буде повністю зібране та передане службі доставки.
Як замовити товар?
Замовити товар, що вас зацікавив, ви можете на сайті магазину aquafamily.ua.
Оформлення замовлень за телефонами
- 0800 300 144 - безкоштовно по всій Україні
- 044 39 49 600 - по місту Київу
- 068 39 49 600 - Київстар
- 050 39 49 700 - Vodafone
- 096 39 49 600 - Viber
Графік роботи call-центру
- Понеділок - п'ятниця: з 9:00 до 18:00
- Субота: вихідний день
- Неділя: вихідний день
- 13 квітня (понеділок): вихідний день
Вартість доставки
Доставка по Україні
Ми надсилаємо замовлення по всій Україні Новою Поштою швидко та зручно:
- • до відділення Нової Пошти
- • кур‘єром додому
Коли доставка платна:
- • у замовленні є басейн Bestway чи Intex, копінг, керамограніт або пісок, незалежно від суми замовлення
- • загальна сума менше, ніж 2000 грн
- • ви обрали доставку кур’єром, незалежно від суми замовлення
Коли доставка безкоштовна:
- • сума замовлення від 2000 грн
- • доставка до відділення Нової Пошти
- • доставка гідромасажних басейнів (SPA)
- • у замовленні немає басейну Bestway чи Intex, копінгу, керамограніту чи піску
Оплата:
Обирайте онлайн-оплату – це зручно та вигідно.
У разі оплати при отриманні Нова Пошта стягує комісію за переказ.
Як отримати своє замовлення?
Доставляємо замовлення по всій Україні за допомогою перевізника "Нова Пошта".

перевізника
Як замовити з самовивозом зі складу "Нової Пошти"?
- 1. При оформленні замовлення необхідно вибрати "Доставка на склад Нової Пошти".
- 2. Вкажіть номер найближчого відділення "Нової Пошти", куди необхідно доставити замовлення.
- 3. Після відправки замовлення ви отримаєте sms з номером ТТН.
- 4. При отриманні відправлення необхідно перевірити зовнішній вигляд і комплектацію замовлення, після чого виконати оплату.

доставка
Як замовити з кур'єрською/адресною доставкою "Нової Пошти"?
Кур'єрська доставка здійснюється по всій території України та розраховується за тарифами компанії-перевізника "Нова Пошта".
- 1. При оформленні замовлення необхідно вибрати "Кур'єрська доставка Новою Поштою".
- 2. Вкажіть необхідну контактну інформацію для доставки замовлення (адреса, телефон).
- 3. Після відправки замовлення ви отримаєте sms з номером ТТН.
- 4. При отриманні відправлення необхідно перевірити зовнішній вигляд і комплектацію замовлення, після чого виконати оплату.














